作者:罗老师
链接:https://weibo.com/ttarticle/p/show?id=2309404449815453892876
来源:新浪微博EE_Archeology
本文经罗老师授权转载到本专栏 。
本文共分三篇,这是第二篇,继续讲述罗老师对HP9100的拆解和清理。
下面开始正片——一起来看看整个机器的核心计算部分。 不得不再次感慨这台机器模块化的设计,整个机芯与电源和显示部分只有一个插头连接,机芯想拆下来也是非常容易。即使单独的机芯,看上去也像艺术品一样…… 为了拍照,这次我把底板上插着的5块板卡都装回去了。
反面看,左边圆柱状的东西是读卡器的电机,右边的大空当刚好可以让出空间来安置显像管。

侧面看……真的是艺术品啊!难以相信,这居然是一个完整的计算机系统,包含了输入输出、CPU、ROM和RAM。更难以相信的是,这居然是完完全全用三极管实现的。一定是魔法吧~



下面看看机器上的5块独立板卡。其实这五块板的分工非常明显,不像同时期的其他晶体管计算器,所有的逻辑电路都像一锅粥一样混在一起。这样的设计,使得机器维护起来方便很多。 图中的板子,上面两块是寄存器板,每个上面集成了40个触发器,下面三块板从左至右分别为磁芯存储器板、存储器驱动和放大板,还有时序控制和微指令板。在下面分别详细介绍。

下面这块是时序控制和微指令板,是这台机器的核心。
这台计算器使用的概念,和现在的CPU非常相似。所谓的计算机指令,就是CPU执行的一条条机器代码。CPU需要将这些机器码解析,再去协调CPU内各个模块的运转。比如最简单的读取内存指令,就要拆分成向存储器发送读取信号和地址、读取数据线上的内容、以及写入寄存器这些基本操作。而微指令则是用来协调这些操作的时序。
这块板子上,有29个”线绕存储器”(后面会介绍),存储了机器运行每一步需要执行的动作,从而协调整个系统的运行。不得不说,当时的工程师简直是天才啊~



电路板一边的编号:

这些二极管主要用来实现驱动信号的解码。每个二极管连接了一根漆包线,穿过后面的29个小磁环,而穿线的方式决定了存储的内容。后面也会具体介绍。


这是测试接口,用于出厂前的检测。

下面看到的,就是所谓线绕存储器了。这里排列了29个小磁环电感,用来检测漆包线的电流,并且对应了29种最基本的逻辑操作。每个磁环电感连接一个三极管,用来放大信号。

这些是驱动三极管,用来给漆包线通电产生激励信号。

换个角度看看,是不是很壮观~

板子上还带了一个晶振,用来给整个机器提供心跳—时钟信号。

这些红色的条状物其实是集成的电容和电阻,也就是现在所谓的厚膜电路。用直立的封装可以进一步减小体积。

关于线绕存储器,可能很多人还是不能明白它是怎么工作的。其实这种存储器的原理非常简单,就是电磁感应。下面的图就是一个基本的存储单元。 用于产生激励的漆包线穿过检测磁环,当漆包线通过电流时,磁环上绕的检测线圈就会产生感应电流,检测电路就会认为这跟线存储的内容为1。相应的,如果漆包线只是从磁环外绕过,当线里通过电流时,并不会在感应线圈中产生电流。这时就表示存储的内容为0。 实际中,每个磁环可以穿过很多根漆包线,每根漆包线也可以穿过很多磁环。如果有32根漆包线,8个磁环,就可以存储32x8bit的数据了。

其实,这种线绕存储器,最早的应用是在1967年的阿波罗登月飞船主控电脑上。下面这张图就是阿波罗主控电脑程序ROM的测试原型。这种存储器的存储密度在当时比主流的磁芯存储器高出了几个数量级,而且结构简单,可靠性非常高,因此才能成功应用在登月这么严格的工程上。不过,一旦绕线的结构确定下来,程序也就不能修改了,所以这种技术只能用作ROM,而不能当成RAM使用。

看完主控板,下面来看机器的记忆中枢–磁芯存储板。



logo自然是免不了了。

这里有些调节用的电位器,估计用于调节驱动电流。

电容很可爱有木有~

这些是磁芯板的驱动三极管,用来产生激励,从而读写里面的内容。

电路板最中心,是一个神秘的绿色方块。其实这就是所谓的磁芯存储器了。这个方块里,一共有2208个小磁环,组成了2208bit的存储空间。很遗憾,这台机器的磁芯板是焊住的,所以就不拆了。

如果拆开,里面应该是类似这样的结构。

磁芯存储器是50-70年代之间使用非常广泛的一种存储装置。主要通过磁化一个一个单独的小磁环实现数据的存储。值得一提的是,由于磁芯存储器是非易失性的存储器,断电后,磁环中存储的数据不会丢失。因此无论何时断开这台机器的电源,下次再通电时,机器都会从断电时候的状态继续开始运行。用户编的程序也不会在断电后丢失。很神奇是不是~

第三块板是配合磁芯存储器的电路,上面有6路禁止驱动和6路传感放大器,配合实现磁芯存储器的读写。




编号:

这一部分就是6路放大器(Sense Amplifier),用于在读取时检测磁芯极性是否翻转。

这六个大个头三极管用来驱动禁止线。禁止线的目的是当内存写入特定位时,像内存中的其他磁芯通入行选和列选相反方向的电流,以此抵消它们产生的磁场,从而避免别的磁芯被写入信息。

下面出场的是最后两块板,也就是触发器板。 这两块板结构完全相同,因此也可以相互替换。每个板子上有160个三极管,组成40个JK触发器。JK触发器其实就是RS触发器再加上一个翻转控制信号。在这台机器里,这些触发器还有个功能,就是实现取反(非门)的功能。



板子上也大量使用了红色的集成电阻电容模块。

三极管。这块板子上,用的全部是PNP三极管,组成的逻辑电平也是0V代表0,-5V代表1。表示并不能理解这么设计的目的……

二极管,用于集体清零和翻转

这里贴一张非常罕见的设计手稿图,是HP9100最初的设计草图。里面画的就是触发器板的一个单元、触发器的电源稳压器和翻转信号的驱动电路。

整个机器的逻辑部分,使用的是单一的15V供电。如果某个电路部分需要其他电压,则由该模块上的稳压电路实现降压。 下面这个角落上的电路就是触发器的-10V电压稳压器。因为卖家说机器通电冒过烟,这部分的颜色也明显不太正常,所以对它单独进行了检查。

检查中,发现那个发黑的电阻似的元件,其实是10V的稳压管(手绘电路图里也说明了),而那个扩流三极管的bc极短路。一开始怀疑三极管坏了,就把三极管拆下,准备用新的管子替换。

然而事实却是,PCB制作过程中存在瑕疵,拆下三极管后才发现两根走线之间有很细的粘连,把它们短路了……呃。 不能理解为啥这样的问题在质检过程中没有被发现,也不能理解在不正常的电压下,机器为啥能一直运行……不过这个短路,导致10V的稳压管直接短接在15V电源上,因此一直大量发热,在电路板上留下了痕迹。

用小刀切断瑕疵,测量了稳压二极管居然还健在。于是把原来的三极管原封不动换回去……这一部分算是正常啦~

接下来继续看去掉5块板卡的机芯:

拔掉两侧的小板子。

两块小板子主要用于连接底板和底板下面的一块板(先留个悬念)。 同时,小板还负责驱动错误指示灯,以及连接电源和CRT扫描电路。


情怀……

小板上也有些三极管:

连接的型号:

下面重点来了~~~ 把机芯反过来,卧槽这怎么还有一块板……卧槽这一整块金光闪闪的究竟是啥……


且慢,先拆了那个铝盒。 里面全是二极管,数了一下,一共512个!

板子的反面,有一块神秘的黑色盖子覆盖。

拆掉黑色盖子,终于见到庐山真面目。没错,这就是传说中用16层PCB制造的程序ROM!而那块黑色盖子则是一整块覆铜板做的屏蔽层。 绿色的ROM周围是ROM的驱动电路,左右两块相似的板是放大器,下面那块则是驱动电路。

正面看:

反面看:

透光看:


下面看驱动电路:


侧面的三极管构成放大器。

情怀……

放大器一角。

揭开盖子,装着512个二极管的铝盒。 每个二极管都是接地的,因此我怀疑这可能是驱动电路用的续流二极管?

近看……密密麻麻的二极管丛林啊~

下面来看看重点。这块绿色的电路板,就是整个机器智慧的来源—存储了控制程序的ROM。这块电路板共有16层。想想这还是在1968年啊。即使换到现在,主流的电路板还是4层为主,手机的主板多数在10-12层,而16层的电路板,在那个年代简直是黑科技般的存在……

侧面看这块电路板,似乎能看出它并不简单的内涵。
不得不说的是,这块电路板,还是有史以来第一次使用特氟龙作为电路板的材料。在这块ROM的密度下,当年的电路板材质,面临着漏电大,电介质常数不稳定等各种问题。聪明的惠普工程师,尝试了当时刚刚出现的新材料—特氟龙。果然,这种材料效果很好。
时至今日,特氟龙基的PCB仍是高端电路才会使用的材料,通常用在高频场合,其性能比常见的FR4材质好很多。

神秘的16层ROM并不能拆开,但国外有网友拆掉了一个已经损坏的ROM板,这样我们就能一窥其中的奥秘了。 下面一张图就是这个ROM板的内部。紫铜色的弯曲走线,是激励走线。而下面一层黑色的走线则是感应线。通俗而言,这两侧走线,构成了一个变压器结构。当上层的走线通入电流,下层就会感应出电流,而上层走线的形状,决定了下层感应线中电流的方向。

这张图中画箭头的两处走线,分别存储了0和1。存储0的走线,是U字形,而存储1的走线则是n形。这样,当这根激励线中通入正方向的电流时,两个数据位对应的感应线,会分别感应出正向和反向的电流脉冲,从而给出这两位存储的数据。
不得不说,这样的设计,真是把电与磁的艺术用到了极致。凭借着10mil的线宽、16层的工艺和特氟龙的特别材质,惠普的工程师把这块存储器的密度提升到了1000bit每平方英寸,也就是155bit每平方厘米。相当于在指甲盖的面积上,存储了20字节的信息。这在当时甚至超过了最先进的ROM芯片,实属工程上的奇迹……

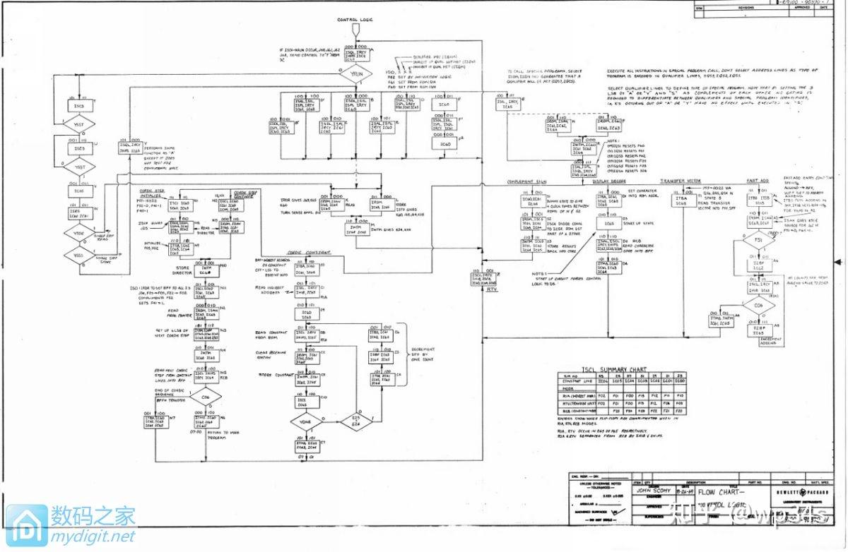
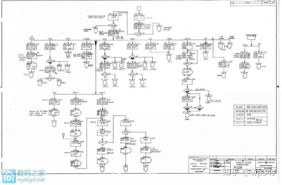
另外,由于HP9100的处理器并不是标准的,并没有汇编语言,更别提高级的编译器了。加上整个系统也要设计得尽可能简化,惠普将整个系统设计得更像是个非常复杂的状态机,而非一个现在标准上的电脑。所以整个系统的程序,都是完完全全用流程图设计的!
下面就是几张最初的流程图手稿。第一张图实现了非常著名的CORDIC算法,用于非常高效地计算三角函数。这也是曾经用在飞机导航仪上的CORDIC算法首次运用在商业设备中。第二张图则实现得是键盘输入过程的判断。 所有的程序,最终被人工“编译”为0和1,继而转换为PCB上走线的图案,存储在一共32Kbit的PCB板内存中,构成了整个机器的灵魂。时至今日,仍然难以想象当时工程师们为之付出的心血……
这里,不得不向伟大的工程师们致敬了。


接下来看看ROM板一侧的电路。这里一共有16个大三极管,32个小三极管。每个大三极管和两个小三极管相连,小三极管再连接至ROM板中的激励线。这些电路,实现了最低和次低地址位的解码,同时巧妙实现了驱动功能。

仔细检查,发现中间靠左的一个电阻开裂了…… 量了下,虽说阻值还存在,但为了可靠,还是换掉吧~

翻箱倒柜,终于找到一个同时代,且电阻值相近的电阻。这里的电阻都是碳质电阻,误差约为10%,因此相比要求不是很高,新换的电阻也能胜任前任的工作。



看完整个机器的灵魂,我们来看看剩下的最后一块电路板,也是连接整个机器各部分的“骨架”电路板。

拆下板子,留下一个整洁的铝框,这工业设计真是绝了……


拆下的电路板。上面密密麻麻的东西,密集又非常规律,简直是密集恐惧症的噩梦,强迫症患者的福利啊~(如果两者都是怎么办2333) 其实,这是二极管和电阻组成的或逻辑电路。

电路板反面,依旧非常整齐……

正面:

反面:

放大后,可以看见电路板至少有6层,每层上,都有复杂的走线。

正面看,二极管和电阻相隔排列。据计算,整个板子上一共有735个二极管……这时候,是不是你已经蒙逼了~

其实,上面是电路板在我们眼中的样子,在工程师眼中,上面的电路是这样的……

更疯狂了是不是~每个二极管负极都连接至不同逻辑部分的输出,部分二极管的正极按需要接在一起。之前已经说过,整个机器是负逻辑电平的,因此每组二极管中只要有一个输入为负,这一组的输出就是负。这样,就实现了或的基本逻辑。
这么多二极管,要把它们整合在一起,真难以想象居然是人类的智慧可以做到的……如果说这台机器是魔法,或是外星人的杰作,估计大家一点不会惊讶吧~
其实,整体看来,这台机器的结构,更像是在1968年,用30年后设计FPGA的思路,用三极管实现了一个电脑。现在的FPGA,也是通过与或者或逻辑阵列,连接触发器和逻辑运算单元,从而实现完整的逻辑。这与HP9100使用二极管或阵列,连接80个触发器,实现逻辑功能的思想简直不谋而合。
不得不说,科学家的思想实在是太先进了,然而当时的技术条件,着实限制了他们的发挥。
这些蓝色的插座都是镀金的,质量非常好。

无处不在的情怀……

近距离观察这逆天的二极管阵列……


放大……

再放大…… 这里可以看出了,每个管子都印着字母F,意味着,这些都是仙童公司(Fairchild)生产的二极管。


烫金的数字标明行数,边上是飘逸的走线(其实都在内层) 。

透光看,是不是有种通透的感觉呢~


凑近看,整个板子错综复杂的连接都历历在目。大家数数有几层吧~


至此,机器的精髓都拆完了,下面是其他部分的拆解和清理过程。
空荡荡的机箱,底部有进水的痕迹……

电源插座和滤波器。

打理干净后,漂亮多了~

这个大三极管是整机-15V线性电源的调整管。

电源模块上的变压器,上面有前人留下的记号,意思是要想拆下电源模块,需要移除这三个螺丝,第四个则不用动。看来我早不是第一个拆机器的人啦~

拆下的电源模块,里面还有一块电路板,就是机器显像管用的4000V加速电压发生器了。

彻底拆下的电源模块。

三个保险丝座,对应输入电压、15V逻辑电压和3.4KV高压。

模块内部。

变压器。

这就是产生高压的高压包。

高压包的驱动三极管,型号查不到,估计也是惠普内部定制的吧~

拆去上盖后,留下的机器底盘。这也是纯铝铸造,非常沉……

机器的后盖板和连接上改的铰链。
这里注意到有一个标签写着”PROPERTY OF VARCO INTL”,意思说这机器曾经是VARCO公司的财产。怀着好奇的心情,google了下这公司,一查不得了,居然是现在还领先世界的美国国家石油公司(现在改名叫National Oilwell Varco了)。 这家公司主要为油田和石油运输过程提供设备和服务,2013年收入为34亿美元…… 看来这样的神机,在当年主要也只有这样的土豪单位买得起了。可惜时过境迁,最终她还是当作电子废物飘洋过海来到中国,又有幸被我找到。否则估计现在这台机器应该早就不复存在了吧~

铭牌本该贴在后盖板左侧,硬是被卖家扯了下来。卖家本来嫌机器太大,像只留个铭牌做纪念……所幸最终还是同意了把机器出给我……

清理干净的上盖,右边的伤口是愈合不了啦~


显示面板



这是显像管右侧指示三个寄存器的指示灯,其实只是两个小灯泡和一个透光塑料而已,通电就会一直亮 面板左侧,本该有一个惠普的铝质商标,可惜也不复存在了……

磁卡插口

至此,拆解部分全部完成。(未完待续)
免责声明:文章内容来自互联网,本站仅作为分享,不对其真实性负责,如有侵权等情况,请与本站联系删除。
转载请注明出处:电与磁的极致艺术~1968年的HP9100A晶体管计算器(机)-2 https://www.zentong.com/zt/9021.html