一、概念梳理
译码是编码的逆过程,它的功能是将具有特定含义的二进制码转换成对应的输出信号,具有译码功能的逻辑电路称为译码器。
译码器可分为两种类型
二进制译码器或唯一地址译码器
这种译码器是将一系列代码转换成与之一一对应的有效信号,它常用于计算机中对存储器单元地址的译码,即将每一个地址代码转换成一个有效信号,从而选中对应的单元。
代码变换器
这种译码器是将一种代码转换成另一种代码。
图4.4.6表示二进制译码器的一般框图,它具有n个输入端、 2n 个输出端和一个使能输入端。

在使能输入端为有效电平时,对应每组输入代码,只有其中一个输出端为有效电平,其余输出端则为相反电平。输出信号可以是高电平有效,也可以是低电平有效。
1-1:工作原理&电路结构
下面以 2线-4线译码器为例,分析译码器的工作原理和电路结构。
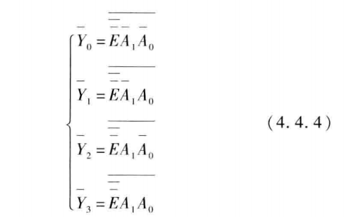
2输入变量 A1A0 共有4 种不同状态组合,因而译码器有4个输出信号 Y0¯∼Y3¯ 并且输出为低电平有效,真值表如表4.4.5所示。

另外设置了使能控制端 E¯ ,当 E¯=1 时,无论A1A0为何种状态,输出全为1,译码器处于非工作状态。而当E¯=0时,对应于 A1A0 的一种输入状态,其中只有一个输出端为0,其余各输出端均为1。
例如,A1A0=00时, Y0¯ 为0, Y1¯∼Y3¯ 均为1。由此可见,译码器是通过输出端逻辑电平以识别不同的代码。
根据真值表可写出各输出端的逻辑表达式为

【注意】列表达式时,把 E¯ 视为一个整体!
根据逻辑表达式画出逻辑图如图4.4.7所示。

1-2:典型译码器电路及应用
——1)二进制译码器
典型的二进制译码器有2线-4线译码器和3线-8线译码器。
3线-8线译码器的逻辑图如图4.4.8(a)所示,逻辑符号如图4.4.8(b)所示。

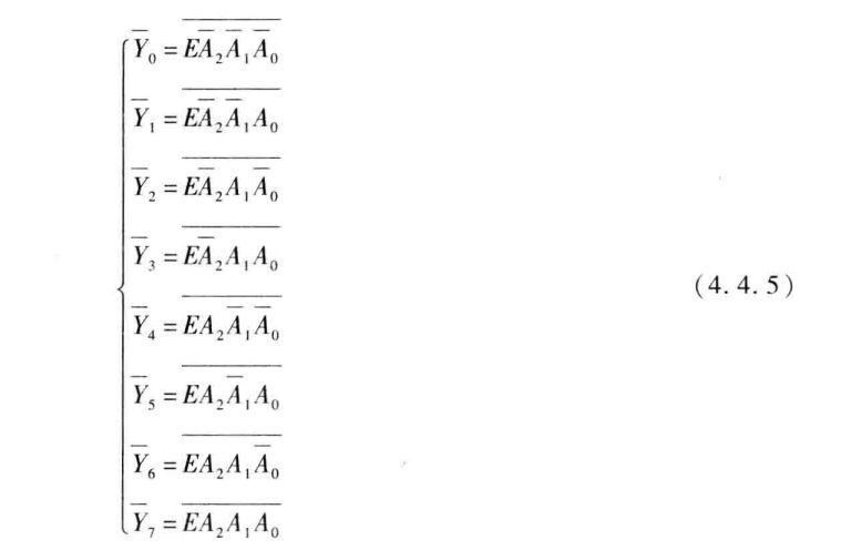
该译码器有3位二进制输入A2A1A0。它们共有8种组合状态,即可译出8个输出信号Y0∼Y7,输出为低电平有效。此外,还设置了3个使能输入端、、E3、E2¯、E1¯,并且E=E3E2¯¯E1¯¯,为扩展电路的功能提供了方便。
由逻辑图写出∶

当E3=1,且E2¯=E1¯=0时, E=1 ,带入式(4.4.5)可得

译码器的输出包含了输入 A2A1A0 组成的所有最小项。
根据式(4.4.5)可以列出3线-8线译码器【功能表】如表4.4.6所示。

利用3线-8线译码器可以构成4线-16线、5线-32线或6线-64线译码器。
集成3线-8线译码器有CMOS(如74HC138)和 TTL(如74LS138)的产品,两者在逻辑功能上没有区别,只是电性能参数不同,用74×138表示两者中任意一种。
74×139是双2线-4 线,两个独立的译码器封装在一个集成芯片中,其中之一的逻辑符号如图4.4.9(a)所示。

逻辑符号说明
74×139 逻辑符号框外部的 E¯ 、 Y¯0∼Y¯3 作为变量符号,表示外部输入或输出信号名称,字母上面的”—”号说明该输入或输出是低电平有效,如图4.4.9(b)所示。
符号框内部的输入、输出变量表示其内部的逻辑关系,全部为高电平有效。当输入或输出为低电平有效时,符号框外部逻辑变量E¯ 、 Y¯0∼Y¯3的逻辑状态与符号框内相应的E 、 Y0∼Y3的逻辑状态相反。
在推导表达式的过程中,如果低有效的输入或输出变量上面的”—”号参与运算,则在画逻辑图或验证真值表时,注意将其还原为低有效符号。
——2)二~十进制译码器
在第一章已经讨论过8421BCD码,对应于0 ~9的十进制数,由4位二进制数0000~1001表示。
由于人们不习惯于直接识别二进制数,所以采用二~十进制译码器来解决。这种译码器应有4个输入端,10个输出端。它的真值表如表4.4.8所示,其输出为低电平有效。


当输入超过8421BCD码的范围时(即1010~1111),输出均为高电平,即没有有效译码输出。
根据真值表4.4.8.可以写出二~十进制译码器输出与输入的逻辑表达式∶

由式(4.4.6)可以画出逻辑图(此处省略)。
二~十进制译码器应用电路如图4.4. 12所示。

电路的输出分别接在标有十进制数的灯泡。当输入一组8421BCD码时,对应输出端为低电平,点亮与之相连的灯泡。
例如,当输入BCD码A3A2A1A0=0110时,输出Y6=0,它对应于十进制数6,其余输出为高电平。
——3)七段显示译码器
在数字测量仪表和各种数字系统中,都需要将数字量直观地显示出来,数字显示电路通常由【译码驱动器】和【显示器】等部分组成。

数码显示器就是用来显示数字、文字或符号的器件。七段式数字显示器是目前常用的显示方式,图4.4.13表示七段式数字显示器利用不同发光段的组合,显示0~9阿拉伯数字。有些数码显示器增加了一段,作为小数点。
日常生活中普遍使用七段式数字显示器,也称为七段数码管。常见的七段显示器有两种,这里主要介绍前者。
| 发光二极管 | 液晶显示器 |
发光二极管构成的七段显示器有两种,共阴极和共阳极电路,如图4.4.14 所示。

共阴极电路中,八个发光二极管的阴极连在一起接低电平,需要某一段发光,就将相应二极管的阳极接高电平。共阳极显示器的驱动则刚好相反。
为了使数码管能显示十进制数,必须将十进制数的代码经译码器译出,然后经驱动器点亮对应的段。
例如,对于8421码的0011状态,对应的十进制数为3,则译码驱动器应使a、b、c、d、g各段点亮。

译码器的功能就是,对应于某一组数码输入,相应的【几个输出端】存在有效信号输出。
常用的七段显示译码器有两类,一类译码器输出高电平有效信号,用来驱动共阴极显示器,另一类输出低电平有效信号,以驱动共阳极显示器。
下面介绍输出高电平有效的七段显示译码器(74HC4511),其功能表如表4.4.9所示。


当输入 D3D2D1D0 接8421BCD码时,输出高电平有效,用以驱动共阴极显示器。当输入为1010~1111六个状态时,输出全为低电平,显示器无显示。
该显示译码器设有三个辅助控制端 LE 、 BL¯ 、 LT¯ ,以增强器件的功能,现分别简要说明如下:
①灯测试输入LT¯
当 LT¯=0 时,无论其他输入端是什么状态,所有输出 a~g均为1,显示器显示字形8。该输入端常用于检查译码器本身及显示器各段的好坏。
②灭灯输入BL¯
当 BL¯=0 ,并且 LT¯=1 时,无论其他输入端是什么电平,所有输出a~g 均为0,所以字形熄灭。该输入端用于将不必要显示的零熄灭,例如一个6位数字023.050,将首、尾多余的0熄灭,则显示为23.05,使显示结果更加清楚。
③锁存使能输入 LE
在 BL¯=LT¯=1 的条件下,当 LE=0 时,锁存器不工作,译码器的输出随输入码的变化而变化; 当 LE 由0跳变为1时,输入码被锁存,输出只取决于锁存器的内容,不再随输入的变化而变化。
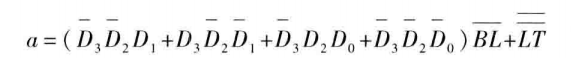
根据表(4.4.9)所示功能表,如果不考虑控制端 LE、、BL¯、LT¯的作用,可以画出a~g每个字段与 D3D2D1D0 的卡诺图,并求出每一个字段的最简逻辑表达式。图4.4.15所示为a段的卡诺图


并求出a段的最简逻辑表达式

当考虑、BL¯、LT¯的作用时,a段的表达式为

以此类推,可以写出其他字段的最简逻辑表达式。根据各段的表达式可以画出逻辑图(此处省略)。
如果在 D3D2D1D0 端各增加一个锁存器,LE 为锁存器的控制信号,就可以实现锁存使能输入的控制。
七段显示译码器(74HC4511)与七段显示器的连接方式如图4.4.16所示。

二、例题分析
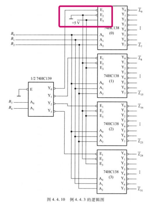
2-1:译码器的扩展

解∶首先列出5线-32线译码器的真值表如表4.4.7所示。

从表中可以看出,当 B4B3=00 ,而 B2B1B0 从000变化到111时,对应 L0¯∼L7¯ 中有一个输出为0,其余输出全为1。因此4片3线-8线译码器(74HC138)中,设置片(0)为译码状态,其余3片为禁止译码状态,对应的输出L8¯∼L31¯全为1。
以此类推,当B4B3=01,B2B1B0从 000变化到111时,L8¯∼L15¯分别输出有效信号,此时设置片(1)为译码状态。当 B4B3 =10和11时,分别设置片(2)和片(3)为译码状态。因此,将5位二进制码的低3位B2B1B0分别与4片3线-8线译码器的3个地址输入端A2A1A0并接在一起。
高位B4B3有4 种状态的组合,因此接入 2 线-4 线译码器(74HC139)的两个地址输入端 A1A0 ,2线-4线译码器的4个低有效输出信号分别接入4片3 线-8线译码器的低使能输入端,使它们在 B4B3的控制下轮流工作在译码状态。这样就得到5线-32 线译码器,逻辑图如图4.4.10所示。

【注意】74HC139的Y3∼Y0分别连接四片74HC138的E1口,E2口均接地,E3口接高电平,以满足E=1的条件。例如,当B4B3=00时,Y0=1,Y0¯=0,因为E1为低有效,所以74HC138(0)被选中。以此类推。
2-2:用译码器实现函数

解
当控制端接有效电平时,译码器的输出是3个输入变量的全部最小项。因此,首先将函数式变换为最小项之和的形式:

将输入变量A、B、C分别接入、和A2、A1和A0端,并将使能端接有效电平。
由于译码器输出是低电平有效,所以将最小项变换为反函数的形式

在译码器的输出端加一个与非门,将这些最小项组合起来,便可实现3变量组合逻辑函数,如图4.11所示。

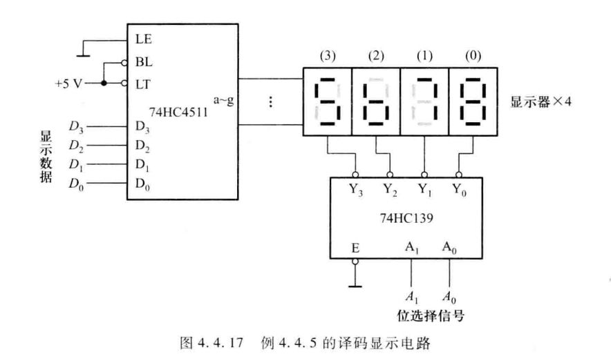
2-3:动态显示电路
由2线-4 线译码器(74HC139)、显示译码器(74HC4511)和4个七段显示器构成的4位动态显示电路如图4.4.17所示,试分析其工作原理。

解∶如果每位显示器配一个显示译码器驱动,当显示器的位数比较多时,电路的复杂程度会增加。采用【动态扫描】多位显示器,可以减少显示译码器数目,简化电路连线。
图中4个显示器的a~g段分别接在一起,并与显示译码器的输出a~g分别相连。将要显示的数据组分别送到显示译码器的输入端 D3D2D1D0 。2 线-4 线译码器的选择信号 A1A0 控制输出 Y3∼Y0 。依次产生低电平,使4个显示器轮流显示。【PS:共阳极】
例如要显示4 位数5678
位选择信号 A1A0=00 时, Y0¯=0 ,将数据 D3D2D1D0=1000,经过译码器74HC4511送到第(0)位显示器显示8。当A1A0分别为01、10、11时,将数据0111、0110和0101分别送到第(1)、(2)、(3)位显示器,分别显示7、6、5。当以一定的频率重复此过程,在4 个显示器上分别显示稳定的数字5678。位选择信号A1A0必须与显示的数据D3D2D1D0同步变化。
人的视觉暂留时间有一定范围,当显示器频率变化太高时,前一个数字的余辉没消失,又开始显示后一个数字,显示的数码不清晰。当太低时,会使显示闪烁。
通常每位显示器频率 fc 的变化范围为: 25<fc<100 ,其中fc的单位为 HZ 。
2-4:译码器设计组合电路

三、关联知识点
3-1:段选码



上述内容选自大学期间的专业课,想进一步了解的同学可以去看下面这篇文章。
免责声明:文章内容来自互联网,本站仅作为分享,不对其真实性负责,如有侵权等情况,请与本站联系删除。
转载请注明出处:专题2-3:译码器 https://www.zentong.com/zt/8804.html