杂谈

  • 醉翁亭与其他文学作品有何联系(醉翁亭记)

    什么是《醉翁亭记》? 《醉翁亭记》是唐代文学家欧阳询创作的一篇散文随笔,记录了他在醉翁亭欣赏自然风景和抒发个人情感的经历。 醉翁亭在哪里? 醉翁亭位于中国浙江省杭州市西湖景区内,是一座历史悠久的亭子,坐落在湖边的南屏山上。 为什么被称为《醉翁亭记》? 文章的名字来源于欧阳询在亭中品茗饮酒、欣赏风景的场景,其中“醉翁”指的是作者自己。 《醉翁亭记》的主题是什么…

    杂谈 2024年7月4日
  • Teikoku:An Examination of a Complex and Mysterious Term(teikoku)

    Teikoku的起源与含义 Teikoku,这个词源自古老的日本,其含义深远且多变。在历史上,它被用来指代一系列复杂的观念和象征,包括皇室、帝国、天皇以及与之相关的政治和社会结构。Teikoku在汉字中常被写作“帝国”,这在一定程度上揭示了其与权力、统治和扩张的关联。 Teikoku的政治与社会影响 在政治方面,Teikoku的概念与日本的国家体制紧密相连。…

    2024年7月4日
  • 24.98万元起,理想L6正式上市,定位家庭五座豪华SUV

    就在今晚,理想汽车举行了发布会,正式发布了理想L6车型。 车身尺寸方面,新车的长宽高为4925×1960×1735mm,轴距为2920mm,虽然为理想汽车旗下最小的车型,但仍为中大型SUV。 外观方面,新车依旧采用家族式设计,与L7、L8、L9车型基本保持一致,也就是家族标志性的星环大灯。车身侧面和尾部也与理想其他L系列车型保持高度相似。 内饰方面,新车依旧…

    2024年7月4日
  • 我国科学家发明出世界上已知最薄的光学晶体

    原标题:我国科学家发明出世界上已知最薄的光学晶体 2024 中关村论坛年会开幕式于 4 月 25 日举行,公布了我国科学家发明的世界上已知最薄的光学晶体——菱方氮化硼晶体。 据介绍,光学晶体是激光技术的“心脏”。激光技术在微纳加工、量子光源、生物监测等领域都有重要应用。集成化、微型化、多功能化是未来激光器的发展方向,中国科学家经反复组合尝试,锁定轻巧的氮化硼…

    2024年7月4日
  • 七国同时“拉黑”卡塔尔 到底什么情况?

    一天之内遭遇“塌方式”的断交,卡塔尔到底怎么了?在此次事件中,挑头又是沙特和埃及这样的地区强国,这无异于是中东地区的一场“政治地震”。但其实,“强震”的发声看似突然发生,其实早有踪迹可循。 此次事件的发生,有两大背景: 首先,是一起发生在十几天前的所谓“黑客事件”。十多天前,美国总统特朗普访问沙特,在利雅得和沙特、阿联酋、埃及、卡塔尔等50多个阿拉伯伊斯兰国…

    杂谈 2024年7月4日
  • 美国第一季度经济折合年率萎缩 1.4% ,或受哪些因素影响?还有哪些信息值得关注?

    具体数据来看,1季度,美国实际GDP年化环比下降了1.4%,低于市场预期的增长1%,也远低于去年4季度的增长6.9%。 那么问题来了:为何1季度,美国GDP增速不如意呢? 对此,美国经济分析局表示,1季度,美国GDP的(环比)下降主要是由于2个最不稳定的部分:库存和国际贸易。 具体来看,1季度,美国净出口和库存累加在一起,使总体GDP增长下跌了约4个百分点。…

    杂谈 2024年7月4日
  • BOM的含义是什么?

    什么是BOM BOM(Byte Order Mark)是一个特殊的字符序列,用于标识文本文件的编码方式。BOM通常作为文件的开头几个字节,用于告诉程序如何解析文件中的字符编码。BOM在不同的编码标准中有不同的表示方式,如UTF-8、UTF-16等。BOM的存在可以帮助程序正确地解析文本文件,避免出现乱码等问题。 BOM的作用 BOM的主要作用是标识文本文件的…

    杂谈 2024年7月4日
  • 新华教育集团与快手磁力引擎达成战略合作,共建数字营销课程

    原标题:新华教育集团与快手磁力引擎达成战略合作,共建数字营销课程 在国家全面推进职普融通、产教融合、科教融汇、优化职业教育类型定位,推进教育、科技、人才一体化发展的大背景下,教育行业近年政策频出,尤其是应用型教育政策的明朗化,为行业发展带来新机遇。 近日,新华教育集团与快手磁力引擎战略合作宣布启动,发布会在北京举办。双方将共建“快手数字营销课程”,在优势互补…

    2024年7月4日
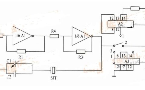
  • 10款简单的晶体振荡器电路图大全

    简单的晶体振荡器电路图大全(一) 如图所示是由A1的三个门、四个电阻、调谐电容和一块晶体所构成简单的晶体振荡器电路。 晶体振荡电路 在图中,其中A1和晶体谐振子SJT及电容组成4069kHz的方波信号。将开关置1点,送至A2,经A2的二分频后,获得2048kHz振荡信号;将开关置于3点,送至A3,经A3的二分频后,获得128kHz振荡信号。调谐电容C1和C2…

    2024年7月4日
  • 如何看待央视春晚任鲁豫的主持?

    任鲁豫,是央视一位著名的主持人,他在央视工作了19年,主持过央视的《中国文艺》、《天天饮食》、《五十年来曾感动我们的歌声》、《西部民歌电视大赛》等栏目,还曾多次担任过央视春节联欢晚会的主持人,在央视诸多晚会、比赛、现场直播中都能看到他的身影。 事业上十分成功的任鲁豫,家庭也十分幸福美满,33岁当上了父亲,在央视主持人这个群体上已经算是很早就有孩子的一位了。 …

    2024年7月4日

联系我们

在线咨询: QQ交谈

邮件:362039258#qq.com(把#换成@)

工作时间:周一至周五,10:30-16:30,节假日休息

铭记历史,吾辈自强!