杂谈

  • 智能控制器在风机及水泵中的应用

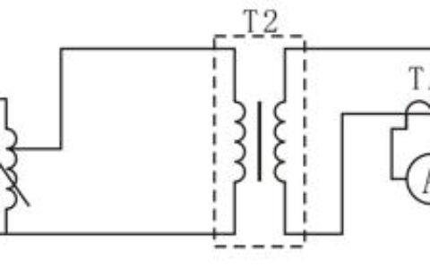
    安科瑞 徐浩竣 江苏安科瑞电器制造有限公司 一、引言 本文就建筑中风机、水泵设备监控的设计应用,从设计依据、控制原理、保护依据等诸多方面进行分析探讨,讨论了ARD智能控制器的功能特点和具体用法,并列举了某工程项目采用智能控制器实现的电气接线图,有利于建筑设备监控系统的设计,为建筑电气设计提供参考依据。 二、智能控制器 智能控制器采用Freescale公司推出…

    杂谈 2024年7月4日
  • TO-247封装:功率器件的坚实基石(to247封装)

    1. TO-247封装简介 TO-247封装是一种常见的功率器件封装形式,广泛用于各种高功率应用,如功率放大器、开关电源和电机驱动器。其名称中的TO代表“Transistor Outline”,而247表示其封装的尺寸和形状。这种封装具有卓越的散热性能和可靠性,为功率电子器件的稳定运行提供了坚实的基础。 2. TO-247封装的优势 TO-247封装相较于其…

    2024年7月4日
  • 闹大了!40多名护士被集体辞退,引起网友们万千共鸣

    据官方报道:4月13日,呼和浩特口腔医院发布关于“40余名护士集体被辞退”的通告。院方回应后引起网友纷纷议论院方这种过河拆桥的行为,接下来我们一起来听听网友们的心声是如何为护士们抱不平 说实话不是熬不起夜,而是根本就没这么干的,最主要的是护士真的是经验比学历靠谱 护士干着最累的活,拿着最低的工资,还得讲学历,真是悲催呀 这是个更离谱的入职条件,我就想问问,护…

    2024年7月4日
  • 片上网络

    常见问题清单: 1. 什么是片上网络? 片上网络是一种在芯片内部实现的网络结构,用于连接芯片内部的各个功能模块,实现高效的数据传输和通信。 2. 片上网络有哪些应用? 片上网络主要应用于集成电路、系统芯片、多核处理器等领域,用于实现内部各个模块之间的通信和数据传输。 3. 片上网络有哪些优点? 片上网络具有高效、低功耗、可扩展性强、可靠性高等优点,能够满足复…

    杂谈 2024年7月4日
  • 电力与瓦特:一度电等于多少瓦(一度电等于多少瓦)

    电力与瓦特的基本概念 电力和瓦特是我们日常生活中常常听到的词汇,但究竟一度电等于多少瓦呢?首先,让我们来了解一下这两个基本概念。 电力是电流通过导线传输的能量,通常以千瓦时(kWh)作为计量单位。而瓦特(Watt)则是功率的单位,表示每秒钟消耗的能量。一度电实际上是电流在一小时内传输的能量,因此它的计算涉及到电力和时间的关系。 一度电的定义 一度电(kWh)…

    2024年7月4日
  • 电源的这些保护措施,你知道多少?

    之前我们有谈到过电源的DC-DC设计对于电源的好处。同时也提到了采用传统单磁和双磁转换方案的产品,并非一定不如DC-DC电源。其“牺牲”一般是由于缺乏正规的、真正可以工作的各种电源保护措施所导致的。那么电源的保护措施有哪些呢? 1、这些保护措施,是否昏头了? 我们先来看一张某品牌电源的最新性能表。 可见,在保护措施这栏,有着UVP、OVP、OPP、OTP、S…

    2024年7月4日
  • 新车预告:奇瑞探索06 C-DM(风云T6)将于北京车展上市

    奇瑞汽车品牌方称新车型探索06 C-DM将于4月25日北京车展上市,这辆车有一些看点,但能否成为畅销车却很难下结论。 探索06有燃油版,之前的信息显示该车插电混动版或将命名为风云T6,车辆的进气格栅采用了与燃油版完全不同的设计理念;但是从最新发布的图片来看,C-DM版本采用了与燃油版基本相同的设计方案,预计这个版本会是最终版。 图1:风云T6 图2:探索06…

    2024年7月4日
  • 年少时光的家庭关系如何塑造我们的人际交往方式(年少时的我们说说)

    为什么我们常常怀念年少时光? 我们常常怀念年少时光是因为那个阶段充满了新奇和探索,充满了梦想和希望。年轻时,我们对未来充满了无限的可能性,而回忆起这段时光可以让我们感受到那种充满活力和乐观的情感。 为什么年轻时的友情和回忆如此珍贵? 年轻时的友情和回忆通常是真诚而深刻的,因为那时我们还没有受到太多社会压力和责任的束缚。这些友情和回忆让我们感受到亲近和无拘无束…

    杂谈 2024年7月4日
  • 中国航天再突破,西方智库给出应对策略,“太空大战”就此开启?

    近期中美博弈越演越烈,双方甚至到了军事力量隔海相望的地步,美国种种打压中国的策略看上去似乎有那么一些作用,但是实际上只是让某些人的政治声望提高不少,反而中国应对方式极为巧妙,获得了许多实实在在的好处,比如全世界大量国家的支持,以及完成了对台海地区常态化军事演练等。 美国当然不会就这么轻松认输,近日又开始在太空中做起了文章,不断鼓吹自己要重返登月计划,但是登月…

    2024年7月4日
  • 老人遭蜱虫咬伤致死保险拒绝理赔,事件后续进展如何?

    关于这个问题,小新分析过一个类似的案件: 真实案例 从2018年开始,杨某每年都会为自己投保一份综合意外险。 2021年5月,因为在野外露营,杨某不慎被蜱虫叮咬,在持续5天发热后被医生诊断为感染新型布尼亚病毒,引发肺部感染、多器官衰竭等症状,最终医治无效死亡。 杨某的家人在整理其遗物时,想起其曾经投保的意外险,于是找出了保险合同向保险公司要求理赔。 杨某的家…

    2024年7月4日

联系我们

在线咨询: QQ交谈

邮件:362039258#qq.com(把#换成@)

工作时间:周一至周五,10:30-16:30,节假日休息